Nu-Hy Grain Buckets

 


HomeCompany HistoryNu-Hy BucketsAvailable SizesBucket CapacityContact Us  
 
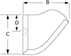
Available Sizes    

 

     
 
 
         
SIZE (Nominal) Milimeters
SIZE (Nominal) Inches
Dimensions - Actual (Inches)
Tolerance A,B,C,D ± 1/8"
Punching - Standard (Inches)
Holes Punched 1/32" Oversize
Lengh
A
Proj.
B
Depth
C
Body
Gauge
Center to
Center
E
Distance
Down
D
Number
of
Holes
Bolt
Diameter
160 x 120
6 x 4
6
4-1/2
3-13/16
16
4-3/8
1-3/8
2
1/4
180 x 120
7 x 4
7
4-1/2
3-13/16
16
2-11/16
1-3/8
3
1/4
200 x 120
8 x 4
8
4-1/2
3-13/16
16
3-1/16
1-3/8
3
1/4
230 x 120
9 x 4
9
4-1/2
3-13/16
16
3-5/8
1-3/8
3
1/4
260 x 120
10 x 4
10
4-1/2
3-13/16
16
4-1/8
1-3/8
3
1/4
160 x 140
6 x 5
6
5-1/2
4-7/8
16
4-3/8
1-1/2
2
1/4
180 x 140
7 x 5
7
5-1/2
4-7/8
16
2-11/16
1-1/2
3
1/4
200 x 140
8 x 5
8
5-1/2
4-7/8
16
3-1/16
1-1/2
3
1/4
230 x 140
9 x 5
9
5-1/2
4-7/8
16
3-5/8
1-1/2
3
1/4
260 x 140
10 x 5
10
5-1/2
4-7/8
16
4-1/8
1-1/2
3
1/4
280 x 140 
11 x 5
11
5-1/2
4-7/8
16
3
1-1/2
4
1/4
300 x 140
12 x 5
12
5-1/2
4-7/8
16
3-3/8
1-1/2
4
1/4
350 x 140
14 x 5
14
5-1/2
4-7/8
16
3
1-1/2
5
1/4
400 x 140
16 x 5
16
5-1/2
4-7/8
16
2-7/8
1-1/2
6
1/4
200 x 160
8 x 6
8
6-5/8
5-3/4
16
3-1/16
1-3/4
3
1/4
230 x 160
9 x 6
9
6-5/8
5-3/4
16
3-5/8
1-3/4
3
1/4
260 x 160
10 x 6
10
6-5/8
5-3/4
16
4-1/8
1-3/4
3
1/4
280 x 160
11 x 6
11
6-5/8
5-3/4
16
3
1-3/4
4
1/4
300 x 160
12 x 6
12
6-5/8
5-3/4
16
3-3/8
1-3/4
4
1/4
350 x 160
14 x 6
14
6-5/8
5-3/4
14
3
1-3/4
5
1/4
370 x 160
15 x 6
15
6-5/8
5-3/4
14
3-1/4
1-3/4
5
1/4
400 x 160
16 x 6
16
6-5/8
5-3/4
14
2-7/8
1-3/4
6
1/4
450 x 160
18 x 6
18
6-5/8
5-3/4
14
3-1/8
1-3/4
6
1/4
500 x 160
20 x 6
20
6-5/8
5-3/4
14
3-1/2
1-3/4
6
1/4
260 x 180
10 x 7
10
7-3/4
6-13/16
14
4-1/8
2
3
5/16
280 x 180
11 x 7
11
7-3/4
6-13/16
14
3
2
4
5/16
300 x 180
12 x 7
12
7-3/4
6-13/16
14
3-3/8
2
4
5/16
350 x 180
14 x 7
14
7-3/4
6-13/16
14
3
2
5
5/16
370 x 180
15 x 7
15
7-3/4
6-13/16
14
3-1/4
2
5
5/16
400 x 180
16 x 7
16
7-3/4
6-13/16
14
2-7/8
2
6
5/16
450 x 180
18 x 7
18
7-3/4
6-13/16
14
3-1/8
2
6
5/16
500 x 180
20 x 7
20
7-3/4
6-13/16
14
3-1/2
2
6
5/16
 
 

These sizes are furnished with steel center brace. Two short buckets are recommended instead of one long bucket. Example: two 10" x 6"
buckets instead of one 20" x 6

 
Nu-Hy Inc. Turlock, California
Tel. (209) 668-8784 | Fax. (209) 656-0359